您好,欢迎访问1946韦德~
联系我们

石英砂过滤器施工依据及流程

点击次数:   更新时间:23/03/21 16:56:03     来源:www.mmtyzx.com关闭分    享:

  石英砂过滤器一般做为反渗透设备以及超滤设备的预处理,主要是对泥沙,胶体,金属离子以及有机物进行截留,吸附。那么石英砂过滤器能随随便便就安装吗?答案当然是不能的。如果想要安装石英砂过滤器,需要按照一些标准来规范施工。接下来由小编为大家列出。

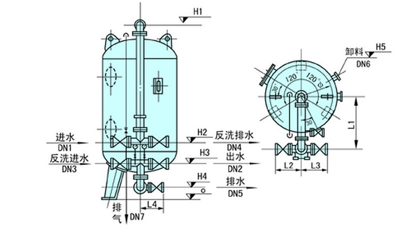
石英砂过滤器原理图

  1、《建筑防腐蚀工程施工及验收标准》
  2、《工业建筑防腐设计规范》
  3、《建筑防腐蚀工程质量检验评定标准》
  4、《涂装前刚才表面锈蚀等级和除锈等级》
  5、《GB8923-1988》
  遵守上述施工标准后,石英砂过滤器的施工流程是怎样的呢?
  首先进行施工准备。在施工之前技术负责人需要仔细的熟悉图纸与施工方式,安排下属施工员的工作同时对施工人员进行技术交底和技术交流,同时检验施工人员的操作合格证一切准备完毕以后方可让设备进场。值得一提的是施工之前要额外注意的是现场一定要备有:施工临时设施、施工材料、检测仪器、施工电源以及备用电源、消防器材等物品。
  其次是施工流程。石英砂过滤器储罐抵达现场后要事先对储罐的表面进行防腐涂料的处理。这个是一定不能缺少的步骤,如果提前涂抹防腐涂料,在运输过程中不免会有磕碰,所以建议是直接到现场进行涂抹,然后将提前预备好的储罐的底座进行检测,通过腻子找平的方式对罐底进行操作,确保平整度与平行度不会影响到罐体导致石英砂过滤器罐体有倾斜,并且要确保罐体表面清洁干净,包括罐体表面的油污都要清理干净。
  然后上述安装的注意事项。储罐底座跟罐体处理完毕以后使用吊车将吊索缠绕在吊耳直伤这里要注意的一点是吊耳上面不可以有任何空虚避免脱钩,吊装的时候吊车底下禁止站人,然后吊装完毕将石英砂过滤器储罐缓慢的吊向底座然后用螺旋将底座固定完好固定的时候采用对角固定的方式进行确保储罐的平整性固定完毕以后开始进行抗震系数检测如果检测没有任何问题在开始连接管道等部件检测牢靠以后就可以注水测试了,测试无误以后静待24小时如果未出现任何的泄露问题则可以直接进行使用。
  以上就是石英砂过滤器施工依据及其流程,严格遵守施工依据和按照流程安装,有利于产品的使用和稳定发展。
联系我们

1946韦德
联系人:王经理  
手机:18653361868 /18853329868  
电话:0533-6823296    
传真:0533-6800776   
QQ : 1075901862   
Email:shengda6823296@163.com 
地址:淄博市周村区南郊镇永和村工业园(兴鲁大道南首)
胜达水处理
Baidu
map